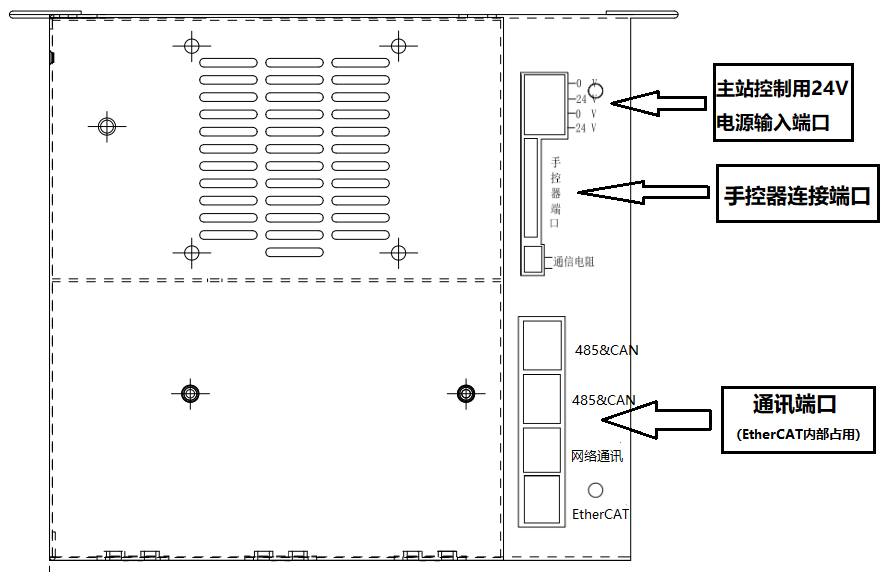
EC-L4车床机械手控制系统驱控一体箱体整体接线说明-九州酷游(ku游)数控
  • 九州酷游(ku游)

    版权所有 © 深圳市九州酷游(ku游)工业控制股份有限公司 未经许可不得复制、转载或摘编,违者必究  版权声明

    Copyright © Shenzhen Huacheng Industrial Control Co., Ltd. All Rights Reserved.

    网站ICP备案号: 粤ICP备19106162号

    技术支持:新新网络

    咨询在线客服

    咨询电话

    13924666952

    400-158-1606

    官方客服微信